¹q¤OºÊ±±¨t²ÎµwÅé¬[ºc¹Ï
¹Ï1©Ò¥Ü¬°¥»®Õ¹q¤OºÊ±±¨t²Î¤§¥DnµwÅé³]³Æ¬[ºc¹Ï¡A¦UµwÅé³]³Æ¤§¥\¯à¤Àz¦p¤U¡G

¹Ï1¹q¤OºÊ±±¨t²ÎµwÅé³]³Æ¬[ºc¹Ï
¤@¡BFama PC-Based±±¨î¾¹¡G¦p¹Ï2©Ò¥Ü¡A¬°¤@¶}©ñ¦¡±±¨î¾¹¡A¨Ï¥ÎIEC 1131-3°ê»Ú¼Ð·Ç»y¨¥¡C»P¶Ç²Î±±¨î¾¹¤ñ¸û¨ä¯SÂI¦b©ó¨ã¦³¶}©ñ¦¡µ{¦¡³]p¥\¯à¡B¸ê®Æ³B²z¡B¸ê°T³sµ²¤Î¥i³z¹Lºô¸ô°µ»·ºÝ±±¨î¡C

¹Ï2 Fama PC-Based±±¨î¾¹
¤G¡BFBe
¤T¡B°ª¶¥»y¨¥¼Ò²Õ(High Level Language Module)¡G²ºÙ¬°HLL¡A°µ¬°»PASCII¦h¥\¯à¹q¤OªíÀY³s½u·¾³qªº¼Ò²Õ¡C¦bHLL¼Ò²Õ¡A¶·¨Ì¤£¦PªºASCII³]³Æªº³q°T°Ñ¼Æ»P®æ¦¡¼¶¼g¨ä³q°Tªºµ{¦¡¡A¤~¯à¥¿½T»PASCII³]³Æ¥¿±`³s½u¡CHLL¼Ò²Õ¨t±Ä¥ÎC»y¨¥¼¶¼gÀ³¥Î³nÅé¡Aµ{¦¡©ö©óºûÅ@¡C
¥|¡BEMA-96¦h¥\¯à¹q¤OªíÀY¡G¦p¹Ï3©Ò¥Ü¡A¨ã¦³pºâ¤T¬Û¹q¤O¨t²Î¤§°Ñ¼Æ¤§¥\¯à¡A¥i´À¥N¦U¤T¬Û¹q¤O¨t²Î«ü¥Ü»öªí ¡A¦p¨ú¥N¹qÀ£¡B¹q¬y¡B¦³®Ä¥\²v¡BµL®Ä¥\²v¡B¥\²v¦]¼Æ¤§Âà´«¾¹¤Î¨ä»öªí¡F¨ã¦³ºtºâ¤ÎÅã¥Ü¥Ë¯S¤p®É¡B¥F¤p®É¤Î¥§¡¥\²vµ¥¥\¯à¡C

¹Ï3 EMA-96¦h¥\¯à¹q¤OªíÀY
¤¡B»·µ{µø°T¨t²Î¡G¥Ñºô¸ô¦øªA¾¹¤ÎÄá¼v¾÷©Ò²Õ¦¨¡CÄá¼v¾÷¤Îºô¸ô¦øªA¾¹¡A¦p¹Ï4©Ò¥Ü¡C»·µ{µø°T¨t²Î¬[ºc¹Ï¡A¦p¹Ï5©Ò¥Ü¡A³z¹Lºô»Úºô¸ô¶Ç¿é¥i¨ú±o§Y®Éªº°ªµe½è°ÊºA¼v¹³¡C

¹Ï4 Äá¼v¾÷¤Îºô¸ô¦øªA¾¹

¹Ï5 »·µ{µø°T¨t²Î¬[ºc¹Ï
¤G¦±¼Ó°t¹q¯¸ºÊµø¨t²Î¬[ºc¹Ï
¤G¦±¼Ó°t¹q¯¸ºÊµø¨t²Î¬[ºc¹Ï¡A¦p¹Ï6©Ò¥Ü¡AªíÀY¤§Ãþ¤ñ¹q¤O°Ñ¼Æ¥Ñ¨äRS-485³q°T°ð¡A¸g¥Ñ°T¸¹±±¨î½u¶Ç°e¦Ü¹q¯àºÊ±±¹êÅç«Ç¨ä©Ò°t¸m¤§±±¨î¾¹ªº°ª¶¥»y¨¥¼Ò²ÕªºR422³q°T°ð¡C

¹Ï6 ¤G¦±¼Ó°t¹q¯¸ºÊµø¨t²Î¬[ºc¹Ï
°t¹q¼ÒÀÀ½L¤§¬[ºc
¤À¬°t¸ü¡B¶}Ãö¡B«OÅ@¹qÅæ¡B¹q®e¾¹²Õ¡B¹q¤OªíÀY»P±±¨î¾¹¡B»P¨t²Î¹Ïµ¥¡A»¡©ú¦p¤U¡G
¤@¡Bt¸ü¡G¼ÒÀÀt¸ü¥Ñ¥i²¾t¸ü(Removable Load)¡A¥iÅÜt¸ü(Variable Load)¤Î¹q°Ê¾÷µ¥¤T³¡¤À©Ò²Õ¦¨¡A¨ä¤¤¥i²¾¤Î¥iÅÜt¸ü¦U¥Ñ¤»²Õ¤T¬ÛªºR-L¤¸¥ó²Õ¦¨¡A¹q°Ê¾÷t¸ü«h¥Ñ¤@¹ê»Ú°¨¹F¾á¥ô¤§¡C¹ï¤Wzt¸ü¤§¾Þ§@¤èµ{¦¡¡A±Ä¥Î²{³õ¶}Ãö±±¨î©Î¥Ñ¹q¤OºÊ±±¨t²Î¤§¹Ï§ÎºÊ±±¨Ó±±¨î¦Ut¸ü¶}Ãöªº¶}±Ò©Î³¬¦X¡C
¤G¡B¶}Ãö¡G¶}Ãöp¦³¹jÂ÷¶}Ãö(D.S)¡B°ªÀ£¤Î§CÀ£ªº¼ÒÀÀ¶}Ãöµ¥¡A°£¹jÂ÷¶}Ãö±Ä¥Î²{³õ±±¨î¥~¡A¨ä¾l¦U¶}Ãö¥i¦b²{³õ¾Þ§@©Î¥Ñ¹Ï§ÎºÊ±±°µ»·ºÝ¾Þ§@¡C
¤T¡B«OÅ@¹qÅæ¡G¸Ë¸m¦³¹L¹q¬y¡B¹L¹qÀ£¡B¤í¹qÀ£¡B±µ¦a¹L¹qÀ£¡B®t°Ê¤Î3E¹qÅæµ¥¹qºÏ¦¡«OÅ@
¹qÅæ¡C¬°¼ÒÀÀ¬G»Ùµo¥Í¡A¦U¹qÅæ¬Ò°t¸m¤@¥u«ö¶s¨Ó¼ÒÀÀ¬G»Ùªºµo¥Í¡A·í«ö¶s±µ³q®É¥i¨Ï¹ïÀ³¤§«OÅ@¹qÅæ°Ê§@¡F¦Ó¦U«OÅ@¹qÅæ¤§´_Âk¡A¥i¾Þ§@¨ä©Ò°t¸m¤§¬G»Ù²M°£«ö¶s»P¬G»Ù°T¸¹¸Ñ°£¶s¡A¥H¨Ï¬G»Ùªº¹qÅæ´_Âk¡C¹ï¤Wz¦U«OÅ@¹qÅæ¤§¬G»Ù¼ÒÀÀ¡B²M°£¤Î¬G»Ù°T¸¹¸Ñ°£¶s¡A¬Ò¶·¦b¼ÒÀÀ½L¾Þ§@¤§¡C
¥|¡B¹q®e¾¹²Õ¡G³]¸m¤»²Õ¹q®e¾¹¤ÎFBe
¤¡B¹q¤OªíÀY»P±±¨î¾¹¡G±Ä¥ÎEMA96¦h¥\¯à¹q¤OªíÀY¥|¥u»PFama PC-Based±±¨î¾¹¤@¨ã¡A¥H´ú¶q°ª¹q½L¤Î¦U§CÀ£õX½u¤§¹qÀ£¡B¹q¬y¡B¹ê¥\²v¡Bµê¥\²v¡B¤Î¥\²v¦]¼Æ¡F¶}©ñ¦¡PC-Based¥t°t¸m36ÂI¤Î16ÂI¿é¤J¼Ò²Õ¦U¤@²Õ¡B16ÂI¿é¥X¼Ò²Õ3²Õ¤Î1²ÕHLL¼Ò²Õ¡C¹q¤OªíÀYªºÃþ¤ñ¹q¤O°Ñ¼Æ¸g¨äRS-485³q°T°ð¡A¸g¥Ñ°T¸¹±±¨î½u©ÎµL½u®iÀW¼Ò²Õ¡A¤W¶Ç¦ÜHLL¼Ò²Õªº¦@¥Î¸ê®Æ°O¾ÐÅé(Common Data Memory)¡A²ºÙ¬°CDM¡C¦]¦¹±±¨î¾¹¥Ñ¨ä¿é¤J»P¿é¥X¼Ò²Õ»`¶°¦U¶}Ãöª¬ºA¤§¼Æ¦ì°T¸¹¡A¥t¥Ñ¨äHLL¼Ò²Õ³B²z¹q¤O°Ñ¼Æ¤§¶Ç»¼¡A³Ì«á¥Ñ±±¨î¾¹¤§CPU¼Ò²Õ±N¼Æ¦ì©ÎÃþ¤ñ¸ê®Æ¦s©ñ©ó©Ò¹w¥ý³W¹º¤§¼È¦s¾¹¤¤¡C
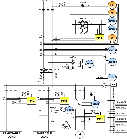
¤»¡B½Æ½u»P³æ½u¨t²Î¹Ï¡G¼ÒÀÀ½L¤§½Æ½u¨t²Î¹Ï¦p¹Ï7©Ò¥Ü¡A³æ½u¨t²Î¹Ï¦p¹Ï8©Ò¥Ü¡C
¸g½Õ¾ã¦U¦h¥\¯à¹q¤OªíÀY¤§¤ñÀ£¾¹(Potential Transformer)»P¤ñ¬y¾¹(Current Transformer)ªº¥`¤ñ«á¡A¥i±N°t¹q¼ÒÀÀ½L¼ÒÀÀ¦¨¤@Ó°ªÀ£°¼¬°3¬Û11.4kV¡B§CÀ£°¼¬°3¬Û0.22 kV¡Aº¡¸ü¬ù¬°900kWªº¤u·~°t¹q¨t²Î¡A¥H¨Ñ¹q¤OºÊ±±¨t²Î§@¬°ºÊ±±ªº¹ï¹³¡C

¹Ï7 ¼ÒÀÀ½L½Æ½u¨t²Î¹Ï

¹Ï8 ¼ÒÀÀ½L³æ½u¨t²Î¹Ï